Tungsten Carbide Inserts
Tungsten Carbide Shims
- Types: ICSN, IDSN, IRSN, ISSN, ITSN, IVSN, IWSN
- Grade: YG8
- Product description: Carbide shims is used with indexable inserts as a protection, our carbide shimes is produced in fine finish and top quality in YG8.
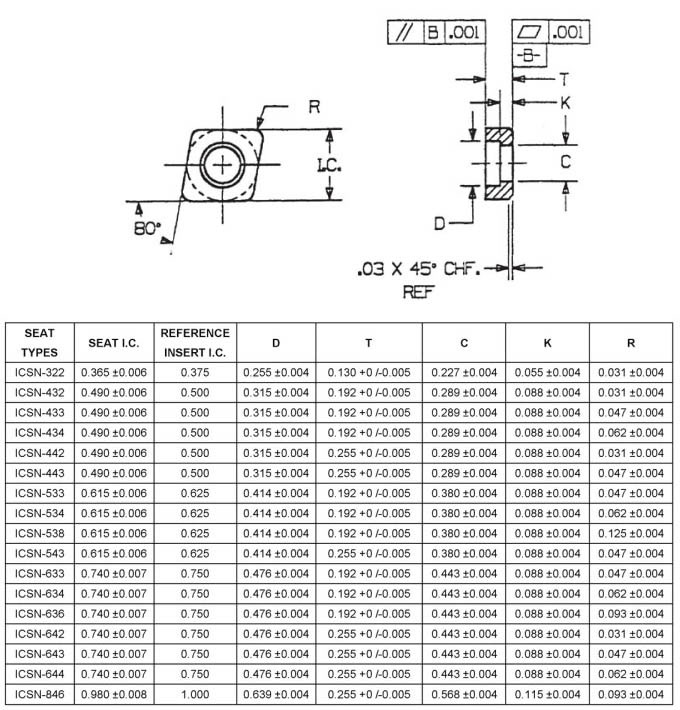
- 80 degree rhombic seats- ICSN shims
- 55 degree rhombic seats-IDSN shims
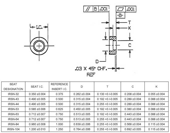
- Round seats-IRSN shims
- Square seats-ISSN shims
- Triangular seats-ITSN shims
- 35 degree rhombic seats-IVSN shims
- Trigon seats-IWSN shims
80°rhombic seats for indexable 80°rhombic inserts, Style CNMA & CNMG for negative rake holders

55°rhombic seats for indexable 55°rhombic inserts, Style DNMA & DNMG for negative rake holders
Round seats for indexable round inserts, Style RNMA & RNMG for nagative rake holders
Square seats for indexable square inserts, Style SNMA & SNMG for negative rake holders

Triangular seats for indexable triangular inserts, Style TNMA & TNMG for negative rake holders
35°rhombic seats for indexable 35°rhombic inserts, Style VNMA & VNMG for negative rake holders
Trigon seats for indexable trigon inserts, Style WNMA & WNMG for negative rake holders
All dimensions in inches.
TAG:Carbide Circular Blades,Tungsten Carbide Inserts,Tungsten Carbide Mold,Carbide Customized Part,Carbide Tipped Work Rest Blade
Categories
- Solid Carbide Wood Cutters
- Precision Balls & Seats
- Carbide Circular Blades
- Carbide Rods & Endmills
- Precision Blades
- Fiber Cutter Blades
- Tungsten Carbide Inserts
- Carbide Strip & Plate
- Carbide Saw Tips & Blades
- Tungsten Carbide Mold
- Carbide Mining Tool
- Carbide Customized Part
- Carbide Tipped Work Rest Blade
Latest News
- Pure Tungsten Rods2017-10-19
- Tungsten Carbide Bars for Vsi Crusher2017-10-19
- PCD/CBN Indexable inserts with Tungsten Carbide Substrate2017-10-19
Contact: Andy
Phone: 0086-0731-22282989
Tel: 0086-0731-22282989
E-mail: sales@powercarbide.com
Add: Zhuzhou, Hunan, China





PowerCarbide
Power Carbide